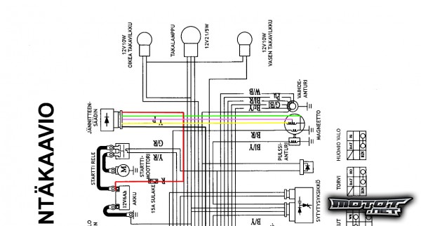
Skyteam ST 125

Kuvia

skyteamst125kytkent

1 kuvaa

Videoita

Ei videoita

Hae tästä albumista

Tässä koodit joilla voit lisätä linkin keskustelufoorumeille. Huomaathan että Motot.netin keskustelufoorumin allekirjoituksiin ei saa lisätä kuvia, vaan linkit pitää esittää tekstilinkkeinä.
BBCode tekstillä
[url=http://www.motot.net/galleria/albumi23395/]Skyteam ST 125[/url]
BBCode pienellä kuvalla
[url=http://www.motot.net/galleria/albumi23395/][img]http://www.motot.net/galleria/kuvat/19/182558_thumb.jpg[/img][/url]
Jaa yhteisöpalveluissa