Motot.net - moottoripyörä ja mopo
  • Etusivu
    • Moottoripyörät
    • Kevytmoottoripyörät
    • Mopot
    • Enduro/MX
  • Keskustelu
    • Haku
    • Säännöt ja ohjeet
  • Kuvat/Videot
    • Haku
    • Säännöt ja ohjeet
    • Uudet ajoneuvot
    • Uudet kuvat
    • Uudet videot
    • Uudet kommentit
  • Myydään
    • Haku
    • Ohjeet
    • Ajoneuvot
    • Osat
  • Tietopankki
  • Tapahtumat
    • MP15 kuvia
    • MP14 kuvia
    • MP13 kuvia
    • ACS 2015 kuvia
    • Lisää uusi tapahtuma
  • Uutiset
  • Sää
    • Valitse paikkakunta
    • Helsingin sää
    • Tampereen sää
    • Turun sää
    • Oulun sää
    • Kuopion sää
    • Rovaniemen sää
  • Muut
    • VIP-jäsenyys
    • Paidat ja vaatteet
    • Suunnittele oma paita
    • Mainostus
    • Palaute
    • Kevytversio
  • /Galleria
  • /Ajoneuvon #21680 kuvat

Ajoneuvon #21680 kuvat

Kuvia

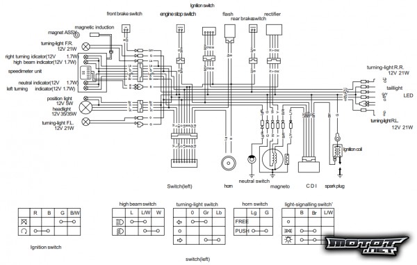
Masai db 50 sahkokaavio

1 kuvaa
Lisää kuvia Lisää ajoneuvo | Luo albumi
  • Ajoneuvon tietosivu
Tuki ja ongelmatilanteet
Palautefoorumi
Ylläpito ja yhteistyö
Sami Tiilikainen
sami (ät) motot.net
STi Design
Tiedotteet ja uutisvinkit
tiedotus (ät) motot.net
Mainostus
Mediatiedot
myynti (ät) motot.net
Rekisteriseloste
Henkilökunta
Moderaattorit
Vaihda teeman sävy