Jippeyee
- Pyörä:
- Honda Monkey 1991 Ex Yamaha DT Jagermeister, Yamaha Aerox 70cc
- Paikkakunta:
- Hyvinkää
- Liittynyt:
- 6.10.2011 17:44
Mullakin on tuo anturi maskin takana,tosin johto paremmassa kondiksessa
Ei mitään havaintoa mitä virkaa sillä on mutta siellä sen kumisen tatin sisällä,missä nuo muutkin liitokset on.
Jarrut on vauhdin surma!
jopezki32
- Pyörä:
- Yamaha DT50x ,Kymco agility,Helkama Ässä (ex), Honda Monkey
- Paikkakunta:
- Keuruu
- Liittynyt:
- 22.10.2011 13:57
Mitäs vittua tää meinaa ku iskee kipinää puolan ylemmän kinnityskohan luota ku polkasee

ja mikä on kun ei lähe käyntii

ei tuu bensaa ees kaasarille asti :S miten sen voi tarkistaa että toimiiko alipainehana?
DT-50-X
- Liittynyt:
- 11.8.2009 12:59
''miten sen voi tarkistaa että toimiiko alipainehana?'' irrota alempi letku bensahanasta ja ime sitä.
Tornado
- Pyörä:
- Yamaha DT -08
- Liittynyt:
- 19.1.2008 23:36
Yamaha DT -08 seissyt käyttämättä pari vuotta, silloin tällöin käynnistelty, mutta ei ajettu. Nyt kun tuli tarve saada mopo taas ajokuntoon niin ilmeni muutamia ongelmia. Mopo käynnistyy ja käy hyvin, välillä lämpövalo vilkahtelee, vaikkei lämpötila mittarin mukaan nouse. Vaihtaessa vaihteen ykköselle koko vehje sammuu ja samalla vilkuttaa vilkkuja sekä moottorinvikavaloa. Aluksi pystyi ajamaan muutaman kymmentä metriä, jonka jälkeen alkoi tehdä tätä. Lisäksi nopeusmittari näyttää ihan omiaan.
Mistä vikaa kannattaisi lähteä etsimään?
JoonaD
- Pyörä:
- Yamaha DT -05 EX Derbi senda -00
- Paikkakunta:
- Järvenpää
- Liittynyt:
- 26.4.2011 21:05
Kannattaa nyt aluksi ainakin pääsulake ja akku uusia.
Ostetaan 70cc airsali am6 mahd. vähän ajettu. Tarjotkaa yv.
siimo-
- Pyörä:
- Suzuki pv -88, MBK x-limit -04
- Paikkakunta:
- Kalajoki/Himanka
- Liittynyt:
- 27.12.2009 15:48
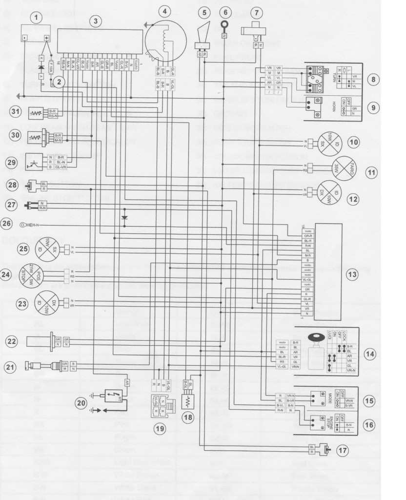
IceTrollKing kirjoitti:KUVA
Joku jos tietäisi mikä tuo on? Koska joku anturi tuossa ainakin roikkui ja oli johto hapettunut poikki.
Sähkökaaviota tutkimalla taitaa olla air temperature sensor? Elikkäs lämpötila-anturi.
Ostetaan: Suzuki PV ehjä penkinrauta ja mg koppa Tarjoukset yv!
Am6 osia löytyy paljon monenlaista, kannattaa kysellä jos tarvetta!
Tornado
- Pyörä:
- Yamaha DT -08
- Liittynyt:
- 19.1.2008 23:36
JoonaD kirjoitti:Kannattaa nyt aluksi ainakin pääsulake ja akku uusia.

Pääsulake on kunnossa ja akkukin ihan uusi
Miquu-
- Pyörä:
- Yamaha DT
- Paikkakunta:
- Ylöjärvi
- Liittynyt:
- 6.4.2013 21:06
Moro. Muistaako kukaan että minkä väriset johdot menee takavalosta mihinkin osaan? (Esim. punainen jarruvalon, musta takavalo yms...)
Mageli
- Liittynyt:
- 16.7.2012 22:22
Kuinka nuo etujarrulevyn kuusiokolot saat irti kun on niin tiukassa.
On saanu jo voitelua mutta ei auttanu. Kuusiokolon avainkin vaan pyörähti tasaaseksi vai miten ja millä tavalla väänsi. Vinkkeja tuon irrotukseen ?
Teek00
- Pyörä:
- Yamaha dt 50x - 07 [EX], Pv 80cc, Ktm 640 LC4 Sm
- Paikkakunta:
- Jyväskylä
- Liittynyt:
- 27.12.2007 19:37
Miquu- kirjoitti:Moro. Muistaako kukaan että minkä väriset johdot menee takavalosta mihinkin osaan? (Esim. punainen jarruvalon, musta takavalo yms...)
Kokeilemalla selviää, alota sillä että väri väriin. Noita ei saa rikki kytkemällä väärin jos oot edes takavaloa vahtamassa?
Mageli kirjoitti:Kuinka nuo etujarrulevyn kuusiokolot saat irti kun on niin tiukassa.
On saanu jo voitelua mutta ei auttanu. Kuusiokolon avainkin vaan pyörähti tasaaseksi vai miten ja millä tavalla väänsi. Vinkkeja tuon irrotukseen ?
Etulevy on ruuvilukitteella kiinni, vaikka kuumailmapuhaltimella lämpöö ruuveihin ja sit vaan yrittää saada auki.
Konkari97
- Pyörä:
- KTM EXC 125 -11, Yamaha YZF-R 125 -08
- Paikkakunta:
- Jyväskylä
- Liittynyt:
- 27.12.2012 15:24
Mistä kannattas eka lähtee ettii vikaa, kun etulamppu toimii vähä miten sattuu enimmäksee eitoimi ja jos toimii nii yleensä pätkii:/ Pariviikkoo sitten vaihettu 45/40w lamppu
Eleeppo
- Liittynyt:
- 8.8.2012 23:09
Eli laitoin n. pari viikkoa sitten uuden kilventelineen ja nyt 12:sta ledistä palaa vaan 4. Onkohan ledit vaan paskana, mikä kyllä ihmetyttää, kun valo on ihan uusi?
JRnoo
- Liittynyt:
- 15.5.2012 20:26
joo eli mulla on yamaha dt 09, jossa vireinä metrakit thrower ja ledillä ohitettu moric. eilen kun olin ajelemassa niin yhtäkkiä vaan sammu ja jätti tielle. no poljin mopon käyntiin, lähti käyntiin mutta kiersi kaasu pohjassa vain 3000 rpm ( dtn mittariin) ja valutti kaasarin huohotin letkusta solkenaan bensaa. sekuntien jälkeen mopo sammui, eikä enää lähtenyt käyntiin. talutin mopon kotia, katsoin tulpan: oli aivan musta ja märkä. kuivasin sen ja kokeilin: ei auttanut. Tämän jälkeen avasin kaasarini ja vaihdon pienempää pääsuutinta: 102---> 94. ei auttanut. ostin vielä kokonaan uuden tulpankin, ilman mitään apua. vikana siis se, että kun laittaa tulille niin tyhjäkäyntiä ei ole (tyhjäkäynti ruuvi lähes maksimissa) ja kun käynnistyy alkaa bensaa tulvimaan kaasarin huohotin letkusta, kun kaasua laittaa bensan tulo vähenee hieman ja kun kaasuttelee, ääni kuulostaa kuin mopo olisi kokoajan kylmä, eli rätisee, alakierroksilla röpöttää ja kiertää kaasupohjassa dtn mittariin n. 7000 rpm rätisemällä.
mikä siis avuksi? kaasarin olen jo putsannut: oli jo puhdas eli siellä ei roskaa ole. Mikä neuvoksi?? tarvitsen kiireistä apua! Kiitos jo etukäteen!
Varaosat kaikkiin mopoihin Mopo Sportista